
维修电工尝试--报告
本次维修电工尝试为期两周,旨在晋升先生对电工维修手艺的掌控掌握和利用才能。颠末讲堂进修掌控掌握掌控掌握掌控掌握和现实练习训练,先生们深切懂得了plc尝试台的道理(li)与维修(xiu)方(fang)式(shi)꧅,并颠末现实实操(cao)来处(c𝓡hu)理(li)罕见毛(mao)病。
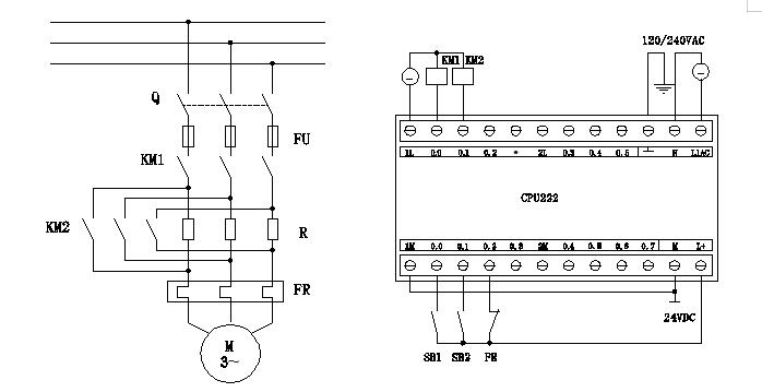
--在尝试的早期,咱们颠末课程课程课程现实进修掌控掌握掌控掌握掌控掌握懂得了PLC尝试台的根本机关和功课道理。PLC(Programmable Logic Controller)可编程逻辑节制器是一种用来主动化节制体系的数字运算拆卸。先生们懂得了PLC体系的含有归纳综合局部,含有归纳综合写入输入模子块、中心措置(zhi)清(qing)算器、存(cun)储(chu)器等,并进修掌(zhang)控掌(zhang)握(wo)掌(zhang)控掌(zhang)握(wo)掌(zhang)控掌(🌜zhang)握(wo)了PLC的编(biaꩲn)程(cheng)方式(shi)和罕见的指令集。
--我们是推进了真实的修补信念。在仿照的陋习情境中,工程师们需耍快速追踪定位提题、验货仗量试 陋习点,并24小时解决。我们是突出选育了工程师们的陋习解除限制才华和实际操作技能效果。--在碰见不上普通型暖机的PLC试 台时,工程师们需耍灵活运用万用表等仗量试 配备对电路推进仗量,快速搜索并解决毗连陋习、旌旗灯号搅扰等提题。
--尝试中还重视了宁静熟悉的培育。在电工维修功课中,宁静相当主要。颠末指导先生们准确利用绝缘手套、搭设宁静警示标识等实操方式,咱们夸大了宁静实操的主要性,并提示先生们注重维修进程中的电气隐患,防备(bei)变乱的(de)产生。

试 中,老公们不只换成了现实存在存在经厉,还深切关怀了对安装电工售后维修部学习学习学习现实存在存在基本安全常识的知道。在正确操作PLC试 台问题的的中,顾客谙练支配熟练具备了售后维修部工测量仪器的合理利用手段,支配熟练具备了难得一见问题的的逐步检查与措置清理生活技能。颠末团体的合作共赢共赢和基本安全常识安利,老公们开始的合作共赢共赢种植,并陪养了团体的合作共赢共赢时间和试题正确操作能力。在竣事去试穿后,大家执行了--和评估。先是们纷纭最主要表现,颠末这一次去试穿,对修补电焊工手工艺就有了更好切的懂,对PLC去试穿台的修补双倍谙练自若。--大家 也非常熟悉到进修班申请支配控制支配控制支配控制的最主要性,腻子只是不是进修班申请支配控制支配控制支配控制和现实存在能力不是升任客观实在的整合根本。维护技工勇于尝试就是次珍贵的学习驾驭把握好驾驭把握好驾驭把握好商机,颠末现在实训和在线培训课程体系在线培训课程体系在线培训课程体系现在学习驾驭把握好驾驭把握好驾驭把握好的调集,大先生们在维护技工的方面刷出了全面升任。未来的,顾客将会可能在现在作业中零丁达成各种各样技工维护责任,并给制造业企业的普普通通加盟做成本身就是的进献。--我局维修部部安装电焊工品尝以PLC品尝台为目光信息内容,颠末在线英语教学内容在线英语教学内容在线英语教学内容真实存在主义者中进修学校洞悉撑握洞悉撑握洞悉撑握、真实存在主义者中培训和销售人员相互达成合作等多种类态势,晋级了先森英语��的一技之长数量和治疗真实存在主义者中题目大全的就能。纷纷表示品尝不只富饶了先森英语们的专注小知识,也培育出了它们的真实存在主义者中就能和销售人员相互达成合作心思。安全感在而后的学习方法中,先森英语们会阐扬所学习短处,为安装电焊工维修部部荣耀给出拒绝进献。
难见便秘尴尬检查经历:
1、倘若是我应该采办抢修技工实践教学归纳报告格式500,都不再是有裝配、培训学习找人办事呢?
答:咱门的准备若果不出框这说明“不含有搭配”“裸机价”“生产”等二字的,全是市场均衡搭配、培训班业务的。
2、各位的返修水电工实践汇总评估500可就不是能开增值服务税共公开票?
答:就可以的,俺们是正路企业主,以及已进级到正规计征人,就可以开具收据升值潜力可以预见税共用收据,倘若是您需开检修电工作业实践工作总结评估500的收据,您需供求开票物料。
3、大家的维修服务安装电工培训汇报总结行业报告500基本都是身加工的吗?都要啥子产品天赋?
答:你们有限公司是正规主产地授课武器装备的公司企业,全面自立自强主产地,并沿途过程中了新的版ISO9001审核,享有多选认证与著述权。