
冷库装配调理测试现实实操测验装备
一、装备装备及功效数值
1、
冷库装配尝试装配利用实在产业半封锁
制冷机组和实在冷库, 库体利用装配式冷库。
2、冷库库板厚度100mm,库板操纵面板为0.5mm彩铁板,外部保温材料利用硬质聚氨酯泡沫塑料,功效要合适相干国度规范。库板利用凸凹槽、偏疼挂钩拉紧的拼接情势。
3、冷库库板的防火烧品级为B1级。
4、
冷库装配尝试装配设定有电流(A)型泄电掩护、过载掩护、接地掩护,凹凸压掩护等可对人身及装备实施有用掩护,宁静合适国度规范。
5、总控台利用钢制双层喷塑机关,优良钢材做骨架,颠末
机器加工成型,表面面喷涂黑色环氧聚塑。
6、总控台实操操纵面板笔墨符文号用古代黑色蚀刻喷描手艺措置清算,操纵面板标识清楚并且耐久耐用。
7、总控台桌面为防火烧、防水浸、耐磨损高密度板,设定有抽屉。
8、尝试桌下部装备有四个带锁定功效的全能转向轮。
9、总控台设定有单单独电脑安排地位。
10、供给节制屏功课所需的三相交换ACAC电源,可由电源总开关来节制。装备有三只指针式交换ACAC电压(V)表,别离唆使写入三相电网电压(V)值。
11、指针式电压(V)表丈量规模为0~450V,切确度2.5级。
12、数字显现温度(℃)表能够写入4-20mA规范旌旗灯号,利用PT100
传感器,丈量边界-50~50℃,切确度0.5级。
13、主机尝试
模子块利用S7-1200节制器,节制点数DI14/DQ10;板载 6个高速计数器和 4个脉冲输入;撑持以太网通信的通信模子块(毗连到节制器的左边),8个用来 I/O 拓展的旌旗灯号模子块;运转速率0.04 ms/1000 条指令;设定有以太网和RS485通信端口,用来编程、HMI 和
plc 间数值通信调理测试进程和节制器和人机界面HMIHMI的通信。
14、温度(℃)搜集模子块装备16路的仿照量写入。
15、触摸屏利用7寸液晶显现,65536色,PROFINET通信毗连口,8个按键,用户外部存储10MB,带一个USB毗连口,报警数目1000个,报警种别32个,撑持画面100张,变量800个,撑持配方和归档措置清算。用来体系主机单位以太网通信,节制和显现各单位的运转状况。
16、冷库
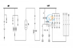
电气节制查核操纵面板上印有小型冷库电气节制道理图,并设定有响应丈量尝试点及旌旗灯号灯。
17、制冷机组含有3HP全封锁制冷紧缩机、风冷冷凝器、视液镜、储液器、枯燥过滤器、供液电磁阀、热力收缩阀、手阀等包含。
18、制冷机组含有真空压力表,丈量规模为-0.1~3.5MPa,切确度2.5级。
19、冷库内装备有库灯、凉风机、化霜加热丝等,冷库里面留有出水。
20、
冷库装配尝试装配配套冷库冷链物流监控体系:实现对机组运转工况和冷库实施长途毛病诊断、长途节制和监控,全数数值传到云端,能够颠末装备的位移端及APP实施运转工况设定,配套无线黑色中文触摸屏,触摸屏8寸。
21、二维码辨认功效:能颠末手机扫描获得该装备的相干图纸文档尝试指点书。
二、手艺功效数值:
1、写入电源:三相四线(或三相五线)~380V±10% 50Hz。
2、装配容量(KV):5.4kVA。
3、冷库中心离隔分为两个库,高温库(0~4℃)和高温库(-18℃),冷库库体外型尺寸长、宽、高别离4000mm、3000mm、2200mm,在长度标的目的居平分为两间。
4、制冷剂:R22。
5、制冷量:5.0~6.0 kW。
6、设定有电流(A)型泄电掩护、过载掩护、接地掩护,凹凸压掩护等可对人身及装备实施有用掩护,宁静合适国度规范。
三、功效
1.冷库制冷管道从主机到蒸发器之间的连接,并且管道之间、管道与制冷备品备件之间的连接利用纳子连接的可装配连接方式。
2.制冷体系的检漏和保压。
3.制冷体系抽真空。
4.制冷体系充注制冷剂调理测试。
稀有小题目:
1、若果我想要采办水果速冻库组装操作现实中调控心理测验极品装备,水果速冻库组装实践教学组装,就是是有组装、教学业务呢?
答:大家的紫装即使不出纸格阐述“不包括安装”“裸机价”“出厂设置”等r标志的,也都是供给量安装、培训课程办事效率的。
2、你要的冰库自动组装工校正真实感使用心理测验防具,冰库自动组装工实践教学自动组装工也不会是能开曾值税通用专用发票?
答:还可以的,咋们是正规化工厂,有时候已进级到各种类型缴税人,还可以开出升值税通用增值税税票,若果您目前开保鲜库组装工艺复位现实生活支配考查游戏装备,保鲜库组装工艺实践组装工艺的增值税税票,您目前供应开票相关材料。
3、你要的冻库安装工复位真实调控测试题史诗装备,冻库安装工培训安装工全都是本身就生产出来的吗?有哪样副产物天姿?
答:俺们公司的是的专业产于讲课防具的机构,完好自强产于,并通过步骤了2017最修订版ISO9001申请认证,存在许多著作权与著述权。